


| 外径 | 58mm |
| 轴径 | 9.25 mm 实心锥轴; 锥度 1:10 |
| 法兰(外壳的安装) | 弹簧片 |
| 外壳的防护等级 (EN 60529) | IP50 |
| 轴的防护等级 (EN 60529) | IP50 |
| 匹配轴的轴向跳动 (静态) | ±0.5mm |
| 匹配轴的径向跳动 (静态) | ± 0.05 mm |
| 最高转速 | 10,000 rpm |
| 典型启动转矩 | ≤ 1.5 Ncm |
| 转动惯量 | 3.1×10-6kgm2 |
| 抗振动 (EN 60068-2-6) | 100 m/s2(50`2000Hz) |
| 抗冲击 (EN 60068-2-27) | 1000m/s2(6ms) |
| 工作温度 1 | -25℃ ~ +110℃ |
| 相对湿度 (EN 60068-2-78) | ≤ 90 % ; 不结露 |
| 外部温度hth全站下载 测量点 |
类型:KTY84-130,PT1000 测量温度范围 3:-40℃ ~ +200℃ 分辨率:0.2 K(KTY84-130),0.2 K(PT1000) |
| 轴材质 | 不锈钢 |
| 外壳材质 | 铝 |
| 重量 | 大约 260 g (单圈) / 310 g (多圈) |
| 连接 |
编码器数据连接,轴向8针 电机线圈温度hth全站下载 输入,轴向2针 |
| 整体设计 | 符合EN IEC 61010-1, 防护等级 III, 污染等级 2, 过电压等级 II |
| 电源电压 | 直流 10-36 V |
| 最大功耗 | 2.5 W ( 24 V) |
| 典型空载电流 |
40 mA (24 V,单圈) 60 mA (24 V , 多圈) |
| 接口 / 协议 | DRIVE-CLiQ |
|
西门子软件 (版本:12.2.2014) |
Sinamics Simotion: ≥ V4.4 HF4 Sinumerik 带安全功能 : ≥ V4.4 SP2 |
| 单圈分辨率 | 20 位,24 位 |
| 多圈分辨率 | 12 位 |
| 绝对精度 |
± 35" ( 20 位) ± 25" ( 24 位) |
| 电缆长度 | ≤ 95 m |
| 安全功能设计 |
SIL2 遵循 EN IEC 61508, 62061, 61800-5-2, PLd 遵循 EN ISO 13849-1 |
| 安全位置分辨率 | 9 位单圈 |
| PFH-值 | 5.26 x 10-8 /小时 (85℃) |
| MTTFd | 169 年 |
| DCavg | 90% |
| 安全定位 1 |
编码器: 2° (安全相关测量间距: SM = 0.7°) |
| 遵循EN 61800-5-2的相关安全功能 |
SS1 (安全停止 1) 2 SS2 (安全停止 2) 2 SOS (安全运行停止) SDI (安全方向) SLS (安全极限速度) SLI (安全极限增量) SLA (安全极限加速度) SSR (安全速度范围) SAR (安全加速范围) SLP (安全极限位置 ) 3 SCA (安全凸轮) 3 |

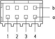
| 针脚 | 信号 |
|---|---|
| 1a | RX-N |
| 2a | RX-P |
| 3a | TX-P |
| 4a | TX-N |
| 1b | 屏蔽 |
| 2b | N.C. |
| 3b | UB - |
| 4b | UB + |

| 针脚 | 信号 |
|---|---|
| 1 | T + |
| 2 | T - |

| 型号 | 分辨率 | 电源电压 | 法兰、防护等级、轴径 | 接口 | 连接方式 |
|---|---|---|---|---|---|
| □ | /□ | □ | □ | □ | □ |
| AD 58S |
0020 20 位单圈 0024 24 位单圈 1220 12 位多圈 + 20 位单圈 1224 12 位多圈 + 24 位单圈 |
E DC 10V`30V |
2.1K 弹簧片IP50,锥度1:10 |
DQ DRIVE-CLIQ | 3 PCB连接器,轴向 |

|
两端带插头的连接电缆 (孔) 连接电源/通讯信号 |
订购代码 |
|---|---|
| M12 连接器, 8-针, 法兰接头, FEP-电缆, 0.15 m | 1 580 022 |
| M12 连接器, 8-针, 法兰接头, FEP-电缆, 0.20 m | 1 580 023 |
| M12 连接器, 8-针, 法兰接头, FEP-电缆, 0.30 m | 1 580 024 |
| 电气连接 |
|---|
| M12 连接器, 8-脚, 法兰接头 |

| 管脚 | 信号 |
|---|---|
| 1 | UB + |
| 2 | N.C. |
| 3 | RX-P |
| 4 | RX-N |
| 5 | UB - |
| 6 | TX-N |
| 7 | TX-P |
| 8 | N.C. |
|
单端带插头的连接电缆 (孔) 连接温度hth全站下载 |
订购代码 |
|---|---|
| 2-脚, 电缆 0.23 m | 1 580 021 |
| 电气连接 |
|---|
| 温度hth全站下载 |
| 颜色 | 信号 |
|---|---|
| 绿色 | T + |
| 棕色 | T - |
在线QQ
186-2947-6872
在线咨询
扫描二维码
添加客服微信号
info@motion-control.com.cn
